Összes találat
+36-1-239-8270
Termék kategóriák
- - ajándékutalvány - -
19"-os rack elemek
csavar-kötőelem
rack állvány, -keret
rack doboz
rack előlap
rack fiók
rack hálózati elosztó
rack kellékek, kiegészítők
rack sín
rack szekrény
rack tálca
rack világítás
állvány
egyéb állvány
fényállvány
hangfalállvány
általános hangfalállvány
fali hangfalállvány
hangfaltartó (szatellit) rúd
stúdió hangfalállvány
tartozék hangfalállványhoz
hangoló szerszám
hangszerállvány
billentyűs állvány
dob- és ütősállvány
fúvós állvány
gitárállvány
tartozék hangszerállványhoz
vonós állvány
kottaállvány
- fix lappal
- összecsukható lappal
asztali kottaállvány
karmesteri állvány
kottaállvány fából
tartozék kottaállványhoz
mikrofonállvány
asztali mikrofonállvány
dobmikrofon állvány
gégecső (hattyúnyak)
három lábú (tripod)
overhead mikrofonállvány
rúd (fishpole)
stúdió mikrofonállvány
talpas mikrofonállvány
tartozék mikrofonállványhoz
szék
tartozék állványhoz
tartozék gitárhoz
audió mérőműszer
asztali analizátor, kiegészítő
asztali audió analizátor
kézi műszer, analóg
kézi műszer, digitális
kézi műszer, kiegészítő
mérőmikrofon
csatlakozó
BNC
beépíthető
lengő
Combo
csatlakozó-átalakító
BNC-ről ------
Jack-ről ------
moduláris átalakító
RCA-ról ------
Speakon-ról ------
XLR-ről ------
Data csatlakozó
D-SUB
EtherCon
Firewire
HDMI
USB
DIN
forrasztásmentesen szerelhető
hálózati csatlakozó
Jack
2,5-es jack
3,5-es jack
6,3-as monó aljzat
6,3-as monó dugó
6,3-as sztereó aljzat
6,3-as sztereó dugó
stúdió jack
miniatűr csatlakozó
mini XLR
MiniCon
NanoCon
Neutricon
OpticalCon
patch panel
RCA
Speakon
2 pólusú
4 pólusú
8 pólusú
tartozék csatlakozóhoz
alkatrész, szerelvény
porvédő, vakdugó
szerszám
színes jelölő
XLR
3 pólusú beépíthető mama
3 pólusú beépíthető papa
3 pólusú lengő mama
3 pólusú lengő papa
4-7 pól. beépíthető mama
4-7 pól. beépíthető papa
4-7 pól. lengő mama
4-7 pól. lengő papa
8 + 2 pólusú XLR
mini XLR
egyéb alkatrész, kellék
ajándéktárgy
akusztikai szivacs
audió transzformátor
földelőrendszer
folyadékok
füst- és ködgép (HAZER)
hálózati elosztó
Hypersound
jelforrás és tartozékai
kábelkötegelő
karmesteri pálca
monitor hangfal
ragasztószalag
szállító kocsi
szélgép ( WIND )
színpadi függöny, takaró
tépőzár
TSS szállító rendszer
védőfelszerelés
flight case építés
bélés anyag
bevonó anyag
billentőpánt, fiókgörgő
csavar-kötőelem
Easy Case elem
fa- és műanyag lemez
Alu-val laminált
fenol bevonattal
műanyag
PVC-vel laminált
festék, ragasztó
fül
bőrönd fül
húzó fül
láda fül
süllyesztett fül
kerék
forgó talppal
merev talppal
süllyesztett
kiegészítő
láb
profil
ajtóprofil
élprofil
élvédő
rack sín
válaszfal profil
záróprofil
PVC fólia
rack asztal
rezgéscsillapító
sarokvédő, merevítő
golyós sarok
hangfal sarok
lapos sarok
merevítő
süllyesztett tálca
tábla, címke
térelválasztó
zár
béka
claplock
pillangó, karos
pillangó, kicsi
pillangó, közepes
pillangó, nagy
speciális
szervízajtóhoz
zsanér, kitámasztó
kitámasztó
zsanér
flight case-konténer-láda-tok
19"-os alap rack
19"-os kombi, keverős rack
19"-os műanyag rack
állvány konténer
DJ pult, -tok
egyedi ROADBOX
fiókos konténer
hangszer tok
billentyűs tok
dobtok
gitártok
hegedűtok
kábeles láda
keverő, -fénypult konténer
mikrofon táska
pedalboard
por és vízálló táska
rack állvány, -keret
szállító kocsi
TSS szállító rendszer
univerzális láda, táska
gitár tartozék
gitár, - és jelkábel
gitárállvány, -kellék
gitártok
pedalboard
PRO gitár felszerelés
hangfalépítés
bevonó anyag
csatlakozótálca
előlap
függesztő elem
fül
hangfaltartó hüvely
hangszóró
speciális hangszóró
kiegészítő
sarokvédő, merevítő
üres láda
hangosítási berendezés
Dante interfész
DI-Box
fejhallgató, fejhallgató erősítő
hangfal
aktív hangfal
aktív rendszer
aktív sub
gitár hangfal
hangfal tartozék
Hypersound
installációs hangfal
lábmonitor hangfal
monitor hangfal
passzív hangfal
passzív sub
hangosító készlet
jelforrás
jelforrás CD-MP3-VID
jelforrás tartozék
keverő
installációs keverő
keverő tartozék
keverőerősítő
Live keverő
pult világítás
Line Array
Line Array hangfal
Line Array sub
Line Array tartozék
mikrofon
ének mikrofon
gégecsöves mikrofon
hangszer mikrofon
mérőmikrofon
mikrofon készlet
mikrofon tartozék
mobil hangrendszer
10"-os hangszóróval
6,5"-os hangszóróval
8"-os hangszóróval
mobil hangrendszer tartozék
összegző, keverő
patch panel
PRO gitár felszerelés
rendszervezérlők
szétosztó (Splitter)
végerősítő
egyéb erősítő
installációs erősítő
max. 2 x 1000W 4 Ohm
max. 2 x 1500W 4 Ohm
max. 2 x 2500W 4 Ohm
max. 2 x 500W 4 Ohm
több csatornás végerősítő
vezeték nélküli rendszer
fejmikrofonnal
fülmonitor rendszer
kézi mikrofonnal
konferencia rendszer
nyakkendő mikrofonnal
rendszer hangszerhez
vezeték nélküli tartozék
vonal leválasztó
kábel
földelőrendszer
hálózati elosztó
kábel dob
fémből
műanyagból
speciális keménygumiból
tartozék kábeldobhoz
kábel méterben
100 V-os rendszerkábel
adatkábel -CAT
adatkábel -kontrol
audió csoportkábel -analóg
audió csoportkábel -digitális
audió kábel -analóg
audió kábel -digitális
DMX, -és Hibrid kábel
erősáramú kábel
gitár, - és jelkábel
hangfalkábel
HD kamera, TRIAX kábel
mikrofonkábel
optikai kábel
Star Quad kábel
videó kábel -analóg
videó kábel -digitális
videó kábel -RG típusú
kábel szerelve
AES-EBU
antennakábel
CAT hálózati kábel
CAT hibrid kábel
CAT hibrid kábel dobon
CAT kábel
CAT.5 - CAT.5e
CAT.6 - CAT.6a
CAT.7
CAT kábel dobon
CAT multi link
CAT-DMX adapter kábel
CAT-DMX hibrid kábel
CAT-DMX hibrid kábel dobon
DMX kábel
gitár, - és jelkábel
hálózati kábel
hangfalkábel
HDMI kábel
hibrid kábel
audió hibrid kábel
CAT hibrid kábel
JACK-JACK aljzat kábel
JACK-JACK kábel
JACK-RCA kábel
MIDI kábel
mikrofonkábel
Multilink kábel
optikai kábel
RCA-RCA kábel
S-PDIF kábel
USB kábel
videó kábel
WorldClock kábel
XLR-JACK kábel
XLR-RCA kábel
XLR-XLR kábel
Y,- és Inzert kábel
kábel teszter
kábelrendező eszközök
fali- és padlódoboz
patch panel
stage box, -dob
tartozék kábelhez
kábel-taposásvédő
fényáteresztő tetővel
gyalogos, irodai
1 csatornás kábeltakaró
4 vékony csatornával
gumiszőnyeg
kerekesszék rámpa
3 csatornával
5 csatornával
közepes teherbírású
2 csatornával
3 csatornával
6 vékony csatornával
7 vékony csatornával
nagy teherbírású
2 ultra nagy csatornával
3 csatornával
4 csatornával
5 csatornával
5 nagy csatornával
moduláris, 5 csatornával
szállító, tároló keret
színpad, truss kiegészítők
bilincs, kampó
egyéb, kiegészítő
félbilincs
forgóbilincs
speciális szorító
biztonsági drótkötél
drótkötél - Safety
drótkötél - Saveking
emelési kellék
bilincs, sekli
körkötél
szemescsavar
hálózati elosztó
ragasztószalag
szállító rendszer
színpadi függöny, takaró
Molton és színpadtakaró
rögzítő, feszítő elemek
széláteresztő függöny
üzlet berendezés
világítás
akkumulátoros világítás
beltéri épületvilágítás
egyéb világítás
fényállvány
fényvezérlő (DMX vezérlő)
folyadékok
füst- és ködgép (HAZER)
kottalámpa
kültéri világítás
kültéri kábel
kültéri lámpák
kültéri tartozék
lézer
mozgó világítás
fényeffekt
Moving Head
Moving Head tartozék
pult világítás
rack világítás
statikus világítás
beltéri épületvilágítás
LED reflektorok
PAR lámpák
PROFIL lámpák
SPOT lámpák
stroboszkóp
stúdió lámpák
színházi lámpák
UV (Blacklight) lámpák
vonal (BAR) lámpák
szélgép ( WIND )
világítás tartozék
diffúzor-fényformázó
egyéb világítás kiegészítő
flight case-láda-tok
világítási rendszer
Gyártók
Adam Hall
Adam Hall Cables
Cameo
Contrik
Defender
Elimex
Gravity
Klotz
König & Meyer
LD Systems
Neutrik
NTI Audio
Palmer
REAN
Riggatec
Roadbox
Robust.hu
Schill
SKB
Techflex
Waves System
Worldmix
Kapcsolat
Cégünkről
Hírek
Akciók
Újdonságok
Keresés
Összes találat
Termék kategóriák
Gyártók
Újdonságok
Akciók
Híreink
Cégünkről
Kapcsolat
Árlisták
Letöltések
Belépés
Elfelejtett jelszó
Belépés
Regisztráció
Gyorsrendelés
×
Belépés
Az Ön által megadott e-mail cím szerepel a partnertörzsünkben, kérjünk jelentkezzen be.
Elfelejtett jelszó
Belépés
Kezdőlap
|
Kategóriák
|
színpad, truss kiegészítők
|
emelési kellék
|
szemescsavar
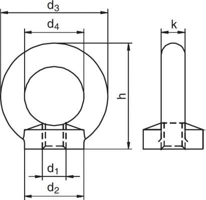
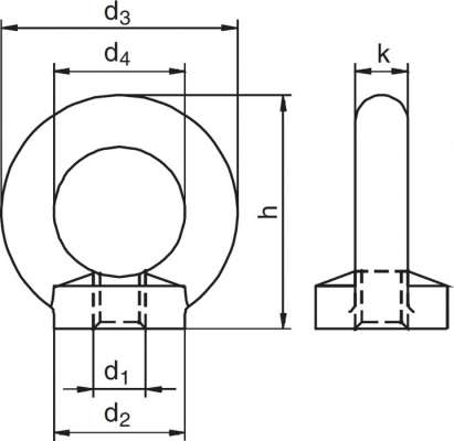
Riggatec 400202660 szemescsavar M10
fekete | teherbírás 230kg - DIN 582 | fekete horganyzott
Riggatec 400202660 szemescsavar M10
fekete | teherbírás 230kg - DIN 582 | fekete horganyzott
Anyag: C 15 E
DIN 580
még több ...
... kevesebb
ÁR:
1 816 Ft
/ darab
darab
Kosárba tesz
Kérdés a termékről
Szállítás:
a megrendeléstől számított 5-10 munkanap
darab
Kosárba tesz
Kérdés a termékről
Szállítás:
a megrendeléstől számított 5-10 munkanap
Rendelési kód:
RIG-400202660
Garancia:
24 hónap
Súly:
105 g
Ajánlott fogyasztói ár:
1 816 Ft
Termékváltozatok
fekete, M10
1 816 Ft
fekete, M8
1 537 Ft
fekete, M12
2 362 Ft
még több ...
fekete, M16
2 210 Ft
... kevesebb
Anyag: C 15 E
DIN 580
még több ...
... kevesebb
Tulajdonságok
Letöltés
Ajánlott termékek
Legnépszerűbb termékek
Tulajdonságok
Általános jellemzők
Felszerelés: szemescsavar
Maximális terhelhetőség: 230 kg
Anyag: acél
Bevonat: horganyzott
Szín: fekete
Specifikus méretek
d2: 25 mm
d3: 45 mm
d4: 25 mm
h: 45 mm
k: 10 mm
Méretek és tömeg
Tömeg: : 0,097 kg
még több ...
... kevesebb
Letöltés
Képek letöltése
ZIP
RIG_riggatec-catalogue-brochure-riggatec.pdf
Ajánlott termékek
Riggatec 400202670 szemescsavar M16
fekete | teherbírás 700kg - DIN 582 | fekete horganyzott
ÁR:
2 210 Ft
darab
Szállítás:
a megrendeléstől számított 5-10 munkanap
Riggatec 400202590 szemescsavar M12
fekete | teherbírás 340kg - DIN 580 | fekete horganyzott
ÁR:
2 032 Ft
darab
Szállítás:
raktáron
Riggatec 400202655 szemescsavar M8
fekete | teherbírás 140kg - DIN 582 | fekete horganyzott
ÁR:
1 537 Ft
darab
Szállítás:
a megrendeléstől számított 5-10 munkanap
Riggatec 400205801 LD STINGER készlet
szerelőkészlet félbilinccsel LD STINGER hangfalakhoz | 250 kg-ig (48 - 51 mm) + tartozékok
ÁR:
20 091 Ft
darab
Szállítás:
a megrendeléstől számított 5-10 munkanap
Legnépszerűbb termékek
LD Systems ECO 2 R B6 II
diversity vevő fix, 633.400 MHz frekvencián
ÁR:
27 140 Ft
darab
Szállítás:
a megrendeléstől számított 5-10 munkanap
Contrik Power Bar XO CPB-T1-T3
kültéri hálózati elosztósor, 1 x powerCON TRUE1 bemenet, 3 x powerCON TRUE1 TOP kimenet, önzáró fedél
ÁR:
40 272 Ft
darab
Szállítás:
a megrendeléstől számított 10-15 munkanap
Neutrik XXR-1
színes gyűrű NC*XX szériához, barna
ÁR:
127 Ft
darab
Szállítás:
raktáron
LD Systems D 909
szélvédő szivacs, fekete
ÁR:
1 156 Ft
darab
Szállítás:
a megrendeléstől számított 5-10 munkanap
×
Kérdés a termékről
×
Az üzenetet elküldése sikerült. Köszönjük.
Hibák a kitöltés során.
Elfogadom az
adatvédelmi nyilatkozatot
.
Küldés